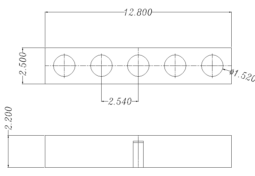
2,54 mm Pitch 5pin Pogo Pin tengi
2,54 mm pitch 5pin pogo pinna tengi
5A Hástraumur 2,54 mm tónhæð SMT&magnari; Rétt horn& DIP pogo pinna tengi Kína birgir og yfir 10 ár' Upplifun af fjöðruðum tengjum, sérsniðið hástraums pogo tengi.

2,54 mm pitch 5pin pogo pinna tengi
Framleiðendur Pogo pinna, hástraums Pogo pinna (5A-30A), endingartími vara nær 1000.000 lotum, Pogo pinna tengi.

2,54 mm pitch 5pin pogo pinna tengi
Við getum sérsniðið hástraums pogo pinna fyrir meira en 1600 hluti (2A-30A). Þeir eru af stöðugum gæðum. Neðst á tunnunni er hannað sem flatt form, auðvelt að festa á PCB.

2,54 mm pitch 5pin pogo pinna tengi
Með staðsetningarpinna neðst á tunnunni. Erfitt að skipta eftir að hafa verið fest á PCB Góð frammistaða á staðsetningu. hár nákvæmni gullhúðun rifa kopar snittari vor pogo pinna, við bjóðum einnig upp á sérsniðna þjónustu fyrir viðskiptavini' sérstakar þarfir á sviði pogo pinna tengi.

maq per Qat: 2,54 mm pitch 5pin pogo pin tengi, Kína, birgja, framleiðendur, verksmiðju, sérsniðin, heildsölu, kaupa, magn, á lager, ókeypis sýnishorn
Hringdu í okkur
